
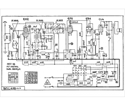
Marque :
Bell
Modèle :
438 tc
Type appareil :
récepteur à tubes
Année :
1937
Pays d'origine :
Suisse
