
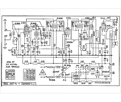
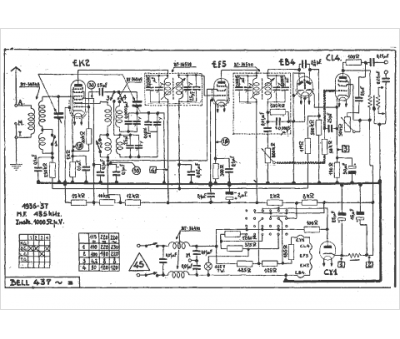
Marque :
Bell
Modèle :
437 tc
Type appareil :
récepteur à tubes
Année :
1936
Pays d'origine :
Suisse
