
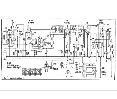
Marque :
Bell
Modèle :
40 gram alt.
Type appareil :
récepteur à tubes
Année :
1940
Pays d'origine :
Suisse
