
Marque :
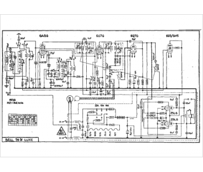
Bell
Modèle :
39 de luxe tc
Type appareil :
récepteur à tubes
Année :
1939
Pays d'origine :
Suisse
