
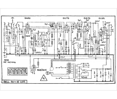
Marque :
Bell
Modèle :
39 de luxe alt.
Type appareil :
récepteur à tubes
Année :
1939
Pays d'origine :
Suisse
