
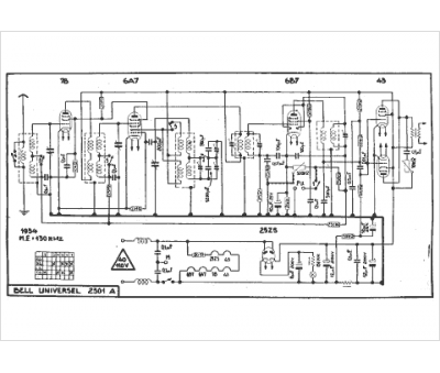
Marque :
Bell
Modèle :
2301 a universel
Type appareil :
récepteur à tubes
Année :
1934
Pays d'origine :
Suisse
