
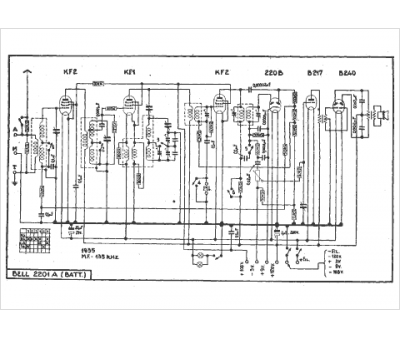
Marque :
Bell
Modèle :
2201 batt
Type appareil :
récepteur à tubes
Année :
1935
Pays d'origine :
Suisse
