
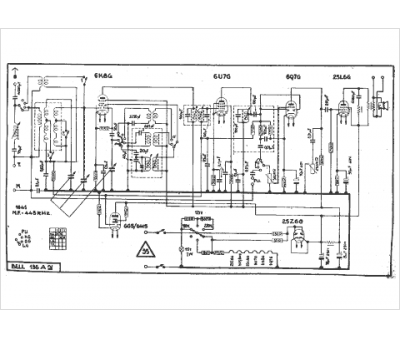
Marque :
Bell
Modèle :
136 a tc
Type appareil :
récepteur à tubes
Année :
1941
Pays d'origine :
Suisse
