
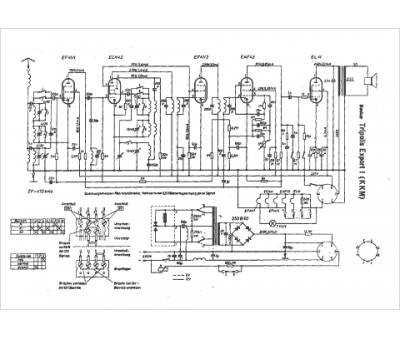
Marque :
Becker
Modèle :
Tripolis Export 1
Type appareil :
récepteur à tubes
Pays d'origine :
Allemagne
