
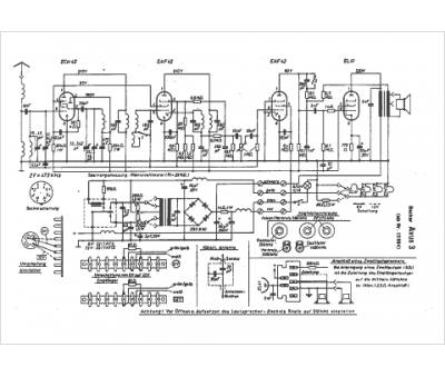
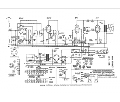
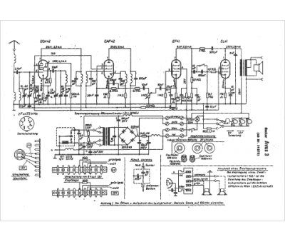
Marque :
Becker
Modèle :
Avus 3
Type appareil :
récepteur à tubes
Pays d'origine :
Allemagne
