
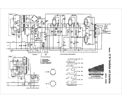
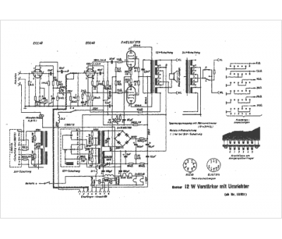
Marque :
Becker
Modèle :
12 W
Type appareil :
récepteur à tubes
Pays d'origine :
Allemagne
