
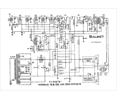
Marque :
Balmet
Modèle :
120
Type appareil :
récepteur à tubes
Pays d'origine :
France
