
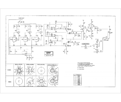
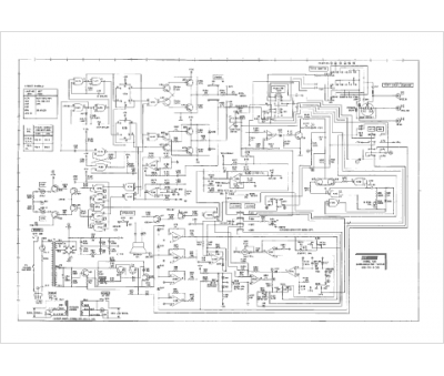
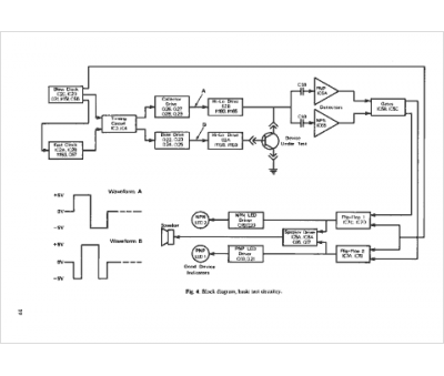
Marque :
B & K Precision
Modèle :
530
Type appareil :
appareil de mesure
Pays d'origine :
États-Unis
