Retour à l'accueil
 
 
Recherche de schémas
Collection CD/DVD

Service schémathèque 

1 document correspond à votre recherche.

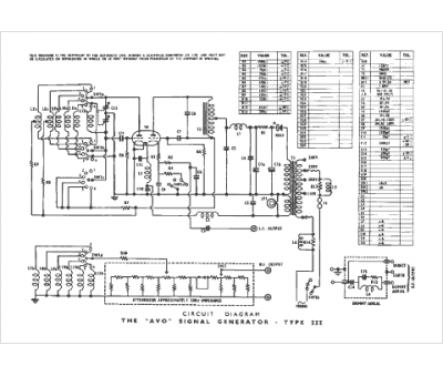
Caractéristiques de l'appareil
Marque :
AVO
Modèle :
Type III
Type appareil :
Signal generator
1 document correspondant à cet appareil
Notice AVO Type III
9 pages.
Document présent dans Rétro-docs 6 Acheter
En ligne, disponible en téléchargement Télécharger
La consultation de cet espace schémathèque est en accès libre.