
Marque :
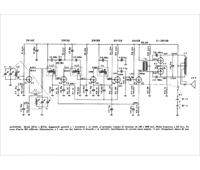
Autovox
Modèle :
RT 51
Type appareil :
récepteur à tubes
Pays d'origine :
Italie
