
Marque :
Autovox
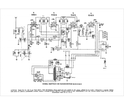
Modèle :
RA 90
Type appareil :
récepteur à tubes
Pays d'origine :
Italie
