
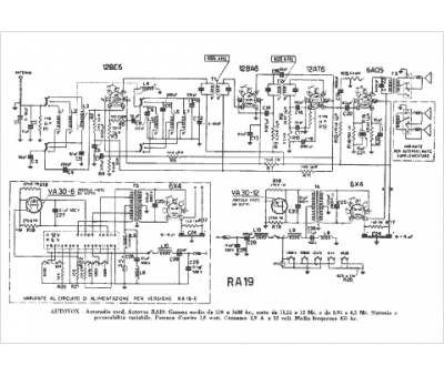
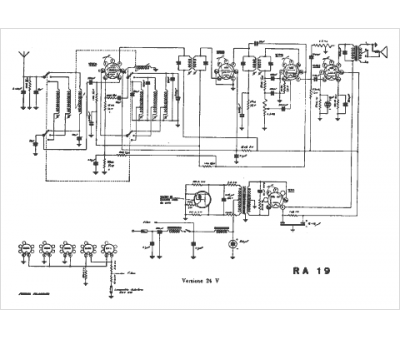
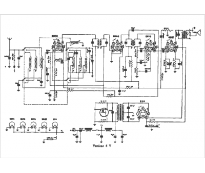
Marque :
Autovox
Modèle :
RA 19
Type appareil :
récepteur à tubes
Pays d'origine :
Italie
