
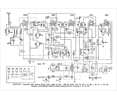
Marque :
Autovox
Modèle :
RA 15
Type appareil :
récepteur à tubes
Pays d'origine :
Italie
