
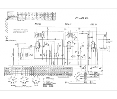
Marque :
Autophon
Modèle :
641
Type appareil :
récepteur à tubes
Pays d'origine :
Suisse
