
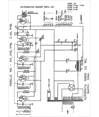
Marque :
Automatic
Modèle :
P-46
Type appareil :
récepteur à tubes
Année :
1932
Pays d'origine :
États-Unis
