
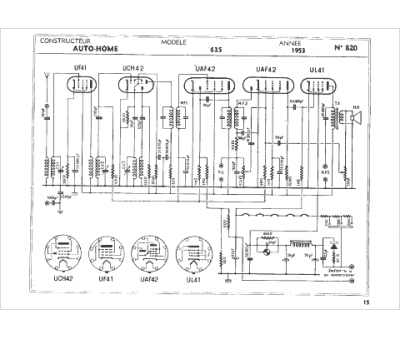
Marque :
Auto home
Modèle :
625
Type appareil :
récepteur à tubes
Année :
1953
