
Marque :
Atwater Kent
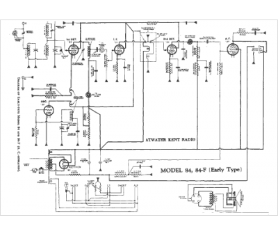
Modèle :
84-F early
Type appareil :
récepteur à tubes
Pays d'origine :
États-Unis
