
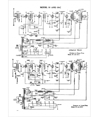
Marque :
Atwater Kent
Modèle :
55
Type appareil :
récepteur à tubes
Année :
1938
Pays d'origine :
États-Unis
