
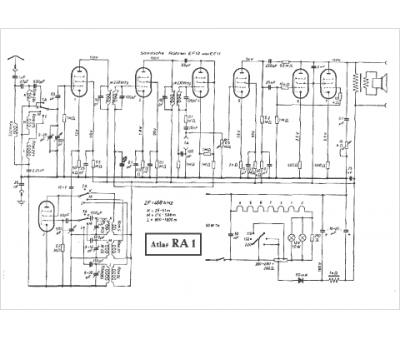
Marque :
Atlas
Modèle :
RA1
Type appareil :
récepteur à tubes
Pays d'origine :
Allemagne
