Retour à l'accueil
 
 
Recherche de schémas
Collection CD/DVD

Service schémathèque 

1 document correspond à votre recherche.

Caractéristiques de l'appareil
Marque :
Atlantic
Modèle :
A871 T
Type appareil :
récepteur
1 document correspondant à cet appareil
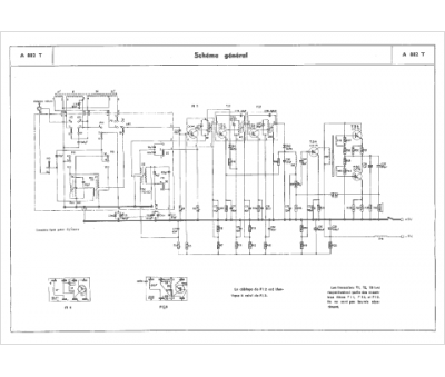
Schéma Atlantic A870 T, Atlantic A871 T, Atlantic A882 T
7 pages.
Document présent dans Rétro-docs 8 Acheter
En ligne, disponible en téléchargement Télécharger
La consultation de cet espace schémathèque est en accès libre.