Retour à l'accueil
 
 
Recherche de schémas
Collection CD/DVD

Service schémathèque 

1 document correspond à votre recherche.

Caractéristiques de l'appareil
Marque :
Atlantic
Modèle :
A2 A
Type appareil :
récepteur
1 document correspondant à cet appareil
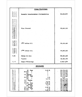
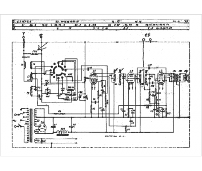
Schéma Atlantic A2 A
13 pages.
Document présent dans Rétro-docs 8 Acheter
En ligne, disponible en téléchargement Télécharger
La consultation de cet espace schémathèque est en accès libre.