Retour à l'accueil
 
 
Recherche de schémas
Collection CD/DVD

Service schémathèque 

2 documents correspondent à votre recherche.

Caractéristiques de l'appareil
Marque :
Atlantic
Modèle :
A 84 A
Type appareil :
récepteur
2 documents correspondant à cet appareil
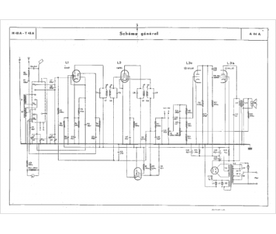
Schéma Atlantic A84 A
5 pages.
Document présent dans Rétro-docs 8 Acheter
En ligne, disponible en téléchargement Télécharger
no photo
Schéma Atlantic A-84A
Langue  : français
6 pages.
Doc complémentaire s. demande Demander
La consultation de cet espace schémathèque est en accès libre.