
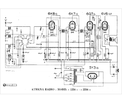
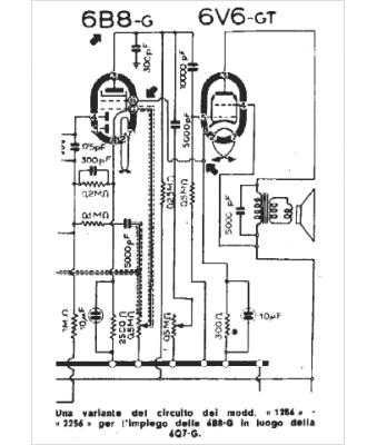
Marque :
Athena
Modèle :
1256
Type appareil :
récepteur à tubes
Pays d'origine :
Italie
