
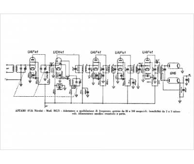
Marque :
Astars
Modèle :
RG 2
Type appareil :
récepteur à tubes
Pays d'origine :
Italie
