
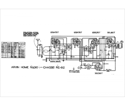
Marque :
Arvin
Modèle :
RE-92
Type appareil :
récepteur à tubes
Année :
1942
Pays d'origine :
Italie, États-Unis
