
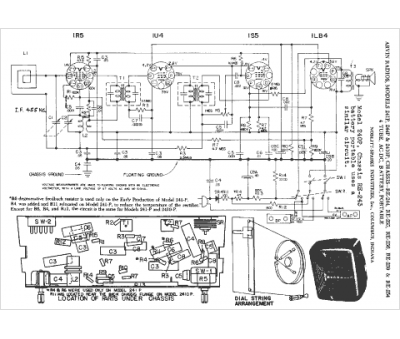
Marque :
Arvin
Modèle :
RE-243
Type appareil :
récepteur à tubes
Année :
1949
Pays d'origine :
Italie, États-Unis
