
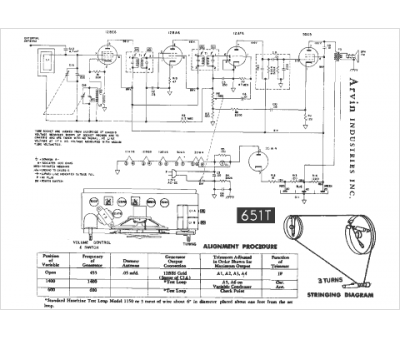
Marque :
Arvin
Modèle :
651T
Type appareil :
récepteur à tubes
Année :
1953
Pays d'origine :
Italie, États-Unis
