
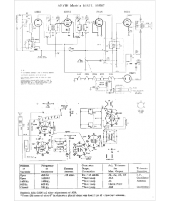
Marque :
Arvin
Modèle :
55R77
Type appareil :
récepteur à tubes
Année :
1969
Pays d'origine :
Italie, États-Unis
