
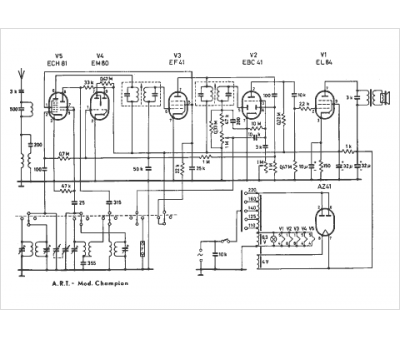
Marque :
ART
Modèle :
Champion
Type appareil :
récepteur à tubes
Pays d'origine :
Italie
