
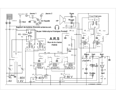
Marque :
ARS
Modèle :
6 Lampes
Type appareil :
récepteur à tubes
Pays d'origine :
France
