
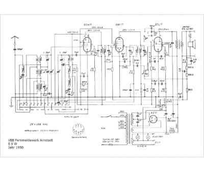
Marque :
Arnstadt
Modèle :
E 9 W
Type appareil :
récepteur à tubes
Pays d'origine :
Allemagne
