
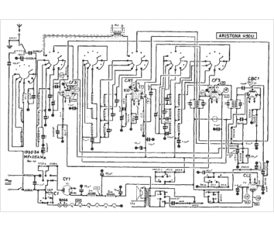
Marque :
Aristona
Modèle :
H 50 U
Type appareil :
récepteur à tubes
Année :
1936
