
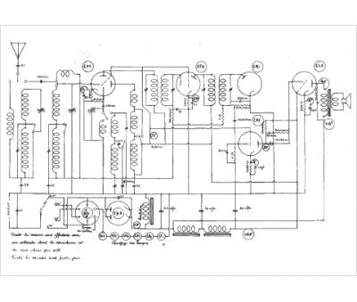
Marque :
Ariane
Modèle :
TC 62
Type appareil :
récepteur à tubes
Pays d'origine :
France
