
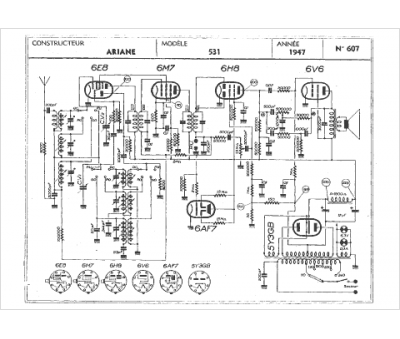
Marque :
Ariane
Modèle :
531
Type appareil :
récepteur à tubes
Année :
1947
Pays d'origine :
France
