
Marque :
Arel
Modèle :
Commodor A (boîtier BF type T)
Type appareil :
Autoradio
Année :
1958
Pays d'origine :
Belgique, Espagne, France, Italie
Dim L x H x P :
192x87x221
Poids :
5700
Cadran :
horizontal rectangulaire
Boutons :
2
Clavier :
5 touches
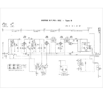
Technologie :
superhétérodyne
Tubes :
EF89, ECH81, EBF89, ECC81, 2xEL84, EZ80
Moyenne fréquence :
480
Gammes d'ondes :
GO (1100 à 2000 m)
PO (185 à 580 m)
PO (185 à 580 m)
Alimentation :
batterie 6 V 12 V
