
Marque :
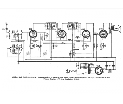
Arel
Modèle :
Cardellino II
Type appareil :
récepteur à tubes
Pays d'origine :
Belgique, Espagne, France, Italie
