
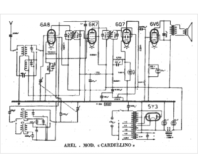
Marque :
Arel
Modèle :
Cardellino
Type appareil :
récepteur à tubes
Pays d'origine :
Belgique, Espagne, France, Italie
