
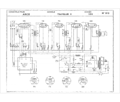
Marque :
Arco
Modèle :
Traveller 2
Type appareil :
récepteur à tubes
Année :
1954
