
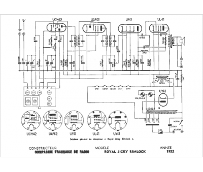
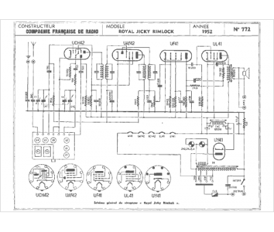
Marque :
Arco
Modèle :
Royal Jicky rimlock
Type appareil :
récepteur à tubes
Année :
1952
