
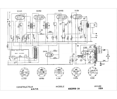
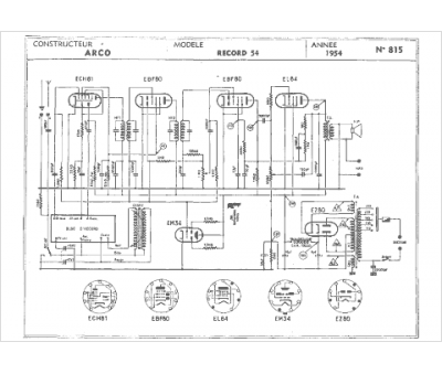
Marque :
Arco
Modèle :
Record 54
Type appareil :
récepteur à tubes
Année :
1954
