
Marque :
Arco
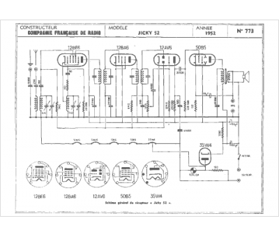
Modèle :
Jicky 52
Type appareil :
récepteur à tubes
Année :
1952
