
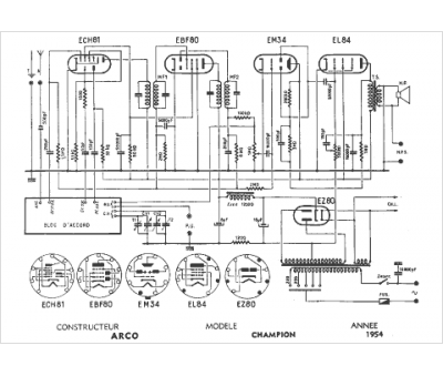
Marque :
Arco
Modèle :
Champion
Type appareil :
récepteur à tubes
Année :
1954
