
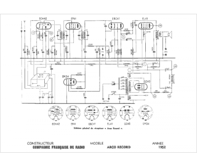
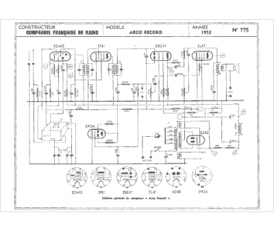
Marque :
Arco
Modèle :
Arco record
Type appareil :
récepteur à tubes
Année :
1952
