
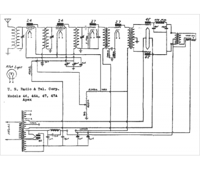
Marque :
Apex
Modèle :
46A
Type appareil :
récepteur à tubes
Année :
1938
Pays d'origine :
États-Unis
