
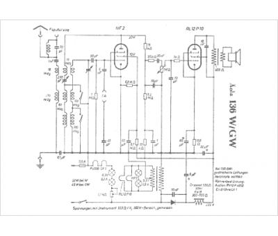
Marque :
															Aola																																															
														Modèle :
																126 W																																	
															Type appareil :
																récepteur à tubes
															Pays d'origine :
																Allemagne
															